2-к, Дмитриева, 30 Показать на карте
Балашиха
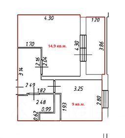
Код объекта: 847035.Продаётся видовая 2-ком. КВАРТИРА на 25 этаже с отличным видом на лес и город в развитом районе г. Балашихи. Общая площадь - 60,0 кв.м., комнаты - 32,0 кв.м., кухня - 9,6 кв.м.Два взрослых собственника. Без обременений. Свободная продажа. Полная стоимость в ДКП. Юридическая чистота сделки.Описание квартиры:Квартира уютная, теплая, с изолированными комнатами и удобной входной зоной, имеется кладовка и просторная лоджия. Окна с видом на обе стороны дома. Санузел раздельный (два умывальника, большая ванная).В квартире сделан качественный ремонт, делался для себя. На стенах жидкие обои. Качественная шумоизолированная входная дверь. Спокойные соседи.Остаётся мебель и техника. В спальне и коридоре имеются вместительные встроенные шкафы. На кухне диван, встроенная техника.Транспортная доступность:ЖК ''Алексеевская роща'' расположен в 7 км. от МКАД по Щелковскому шоссе. В перспективе будет построен дублер Щелковского шоссе. До м. Щелковская 15 мин. транспортом. Из микрорайона каждые 10 минут курсирует транспорт до г. Москвы и до центра г. Балашихи. Инфраструктура:В ЖК три детских сада и школа. Множество площадок для развлечений и прогулочных зон. Рядом расположены Национальный парк ''Лосиный остров'' и знаменитые ''Алексеевские пруды''.Прекрасное место для прогулок всей семьей!
60 м2
25 / 25 этаж
Монолит
- Показать контакты
- Добавить в избранное
60 м2
25 / 25 этаж
Монолит
8 500 000
141 667 /м2
